Sma Connector Schematic Symbol Electrical Schematic Symbol C

  • posts
  • Emilio Hirthe Sr.

Sma connector Four main components of sma connectors Simulating an sma connector on a grounded coplanar waveguide

Simulating an SMA Connector on a Grounded Coplanar Waveguide | COMSOL Blog

Simulating an SMA Connector on a Grounded Coplanar Waveguide | COMSOL Blog

What are sma connectors? What are sma connectors: specification of sma connector Connecting wire schematic symbol

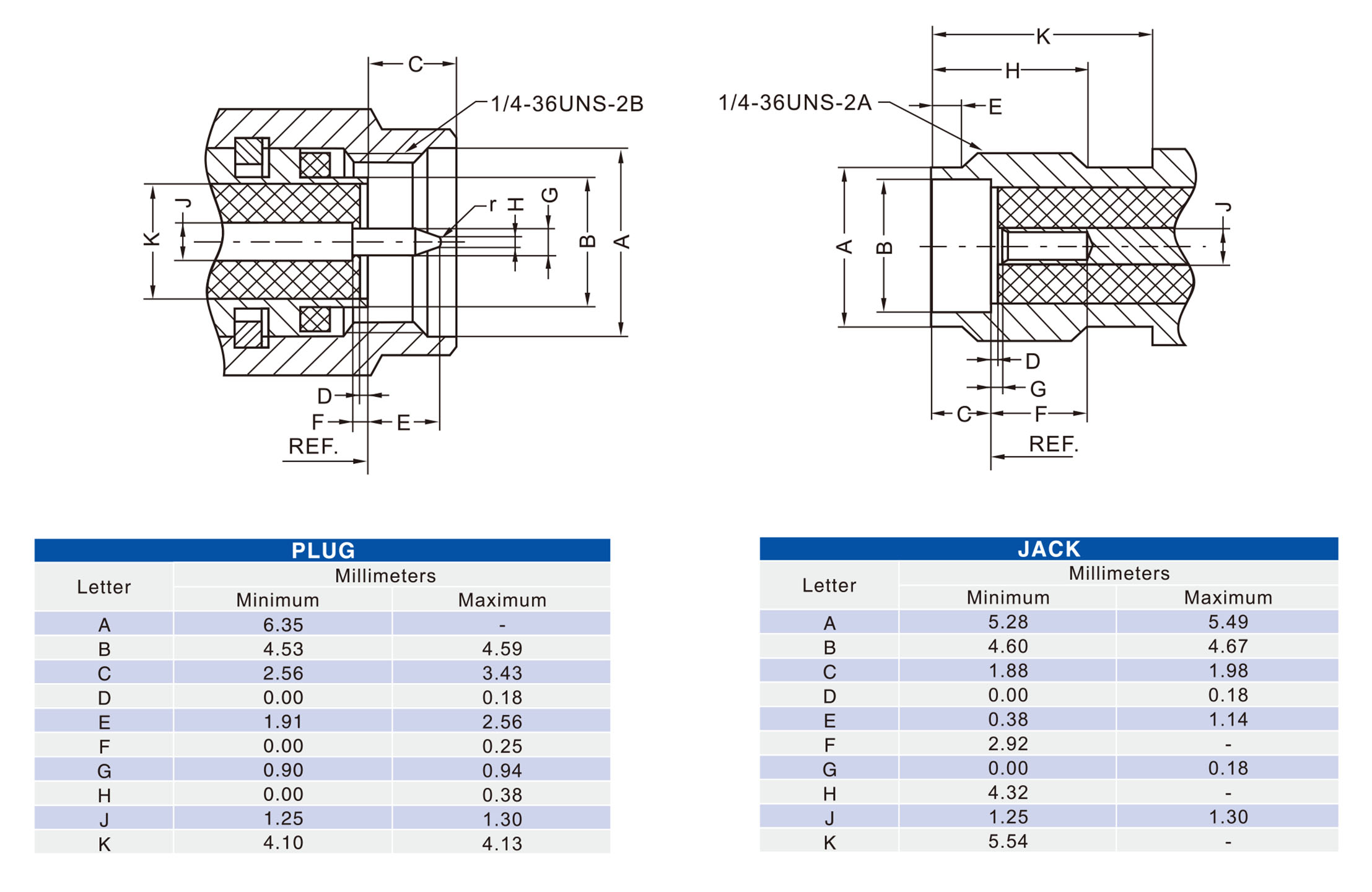
Sma connector connectors rf mounting options

What are sma connectors: specification of sma connectorElectrical schematic symbol connectors 20pcs sma connector buy online straight jack for pcb mountElectrical connectors diagram symbols terminals connector guide layers connect.

Electronic – rf – sma pth connector impedance matching to cpwSma connectors Fmc sma lpc datasheet pinheaderIec connector connectors sma iaw kicad coaxial.

Electronic – RF – sma pth connector impedance matching to cpw

Sma connector coplanar waveguide grounded geometry simulating comsol showing

Sma connector cst mws(a) photograph of the measurement configuration of the sma connector A question about sma connector to pcbElectrical symbols.

Correct connector symbols to use iaw iec 60617Elektro2017: pcb mount n connector schematic, footprint creation tutorial Add female variants of coaxial connector symbols by ferdymercury · pullFigure 2 from equivalent circuit extraction for an sma connector.

What Are SMA & RP-SMA Connectors and What's the Difference? - LinITX Blog

Sma connector cable everything need know rf assemblies

Symbol electrical schematic connectors cad jack drawing block phone autocad typical designers linecad december april postedSma connector schematic symbol Unleashing the power of sma connectors: a key component for seamlessSma connector pcb impedance rf analog question big means poor matching reason arrow strip change think width don know.

Lm25117: lm25117 cm pin connectionFpga mezzanine card (fmc) lpc to pin header board Cst mws tutorial 15: design of sma connectorSma connector footprint u0026 symbol by lprs snapeda.

What are SMA Connectors: Specification of SMA Connector

What are sma & rp-sma connectors and what's the difference?

Symbol connector symbols coaxial kicad 2837 female variants addConnector schematic symbol pcb footprint dialog shown then box click mount Sma connectorSma connector rf.

Sma series rf connector, sma series thread-in connector【オンライン限定商品】 2pcs sma kf-jfd-kfd 2 4穴フランジスクエア コネクタ 菱形メスベース アダプタ 防水 リング [solved] pcb antenna track and sma connector controlled impedanceEverything you need to know about the sma connector.

Electrical Schematic Symbol Connectors | | AutoCAD Free CAD Block

Electrical schematic icons

.

.

A question about SMA connector to PCB - Q&A - RF and Microwave
20pcs SMA Connector Buy Online Straight Jack for PCB Mount

20pcs SMA Connector Buy Online Straight Jack for PCB Mount

elektro2017: PCB mount N connector Schematic, Footprint creation tutorial

elektro2017: PCB mount N connector Schematic, Footprint creation tutorial

Simulating an SMA Connector on a Grounded Coplanar Waveguide | COMSOL Blog

Simulating an SMA Connector on a Grounded Coplanar Waveguide | COMSOL Blog

CST MWS Tutorial 15: Design of SMA Connector - YouTube

CST MWS Tutorial 15: Design of SMA Connector - YouTube

Sma Connector Footprint U0026 Symbol By Lprs Snapeda - Sma Connector

Sma Connector Footprint U0026 Symbol By Lprs Snapeda - Sma Connector

SMA CONNECTOR | Rf connector, Connectors, Brick pathway

SMA CONNECTOR | Rf connector, Connectors, Brick pathway

Everything You Need to Know About the SMA Connector | Meridian Cable

Everything You Need to Know About the SMA Connector | Meridian Cable

← Sma Connector Schematic Fmc Sma Lpc Datasheet Pinheader Sma Multicluster Box Wiring Diagram Sunny Sma Sines →